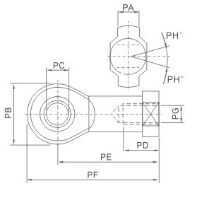
ISO-PHS型魚眼接頭
氣缸
- DNC系列標準氣缸(ISO6431)
- DNG系列標準氣缸 (ISO15552)
- SI系列標準氣缸(ISO6431)
- SC/SU系列標準氣缸
- MB系列標準氣缸
- CA2系列標準氣缸
- XEN/XNEG 系列導(dǎo)桿氣缸
- MA6432系列迷你氣缸(ISO6432)
- MA系列迷你氣缸
- MAL系列迷你氣缸
- CM2系列迷你氣缸
- CJ2系列迷你氣缸
- ADVU系列薄型氣缸
- ADN系列薄型氣缸(ISO21287)
- SDA系列薄型氣缸
- ACQ系列薄型氣缸
- CQ2系列薄型氣缸
- CJP系列針型氣缸
- TN系列雙缸氣缸
- CXS系列雙缸氣缸
- CU系列自由安裝氣缸
- STM系列滑臺氣缸
- MGP系列帶導(dǎo)桿氣缸
- RSQ系列定程桿氣缸
- XCK 系列夾緊氣缸
- MSQ系列齒桿式回轉(zhuǎn)擺動氣缸
- CRQ2系列薄型齒條式旋轉(zhuǎn)擺動氣缸
- CRA1系列齒條式旋轉(zhuǎn)擺動氣缸
- XH系列氣動手指
- XHSH系列平行開閉型氣動手指
- SRC系列旋轉(zhuǎn)氣缸
- ACK系列轉(zhuǎn)角氣缸
- MXH系列小型直線導(dǎo)軌氣動滑臺
- MXS系列氣動滑臺
- MXQ系列氣動滑臺
- CRB2系列葉片式擺動氣缸
- MRHQ系列大型葉片式擺動氣缸
- MSUB高精度型葉片式擺動氣缸
- MU系列橢圓形活塞氣缸(桿不回轉(zhuǎn))
- CY3系列無桿氣缸
- 氣缸套件
- ISO標準氣缸附件
- 標準氣缸附件
- 迷你氣缸附件
- 氣缸管&活塞桿
- 磁性開關(guān)
- 油壓緩沖器
氣源處理件
換向閥
流體電磁閥
外形尺寸
| 符號/缸徑 | PA | PB | PC | PD | PE | PF | PG | PH |
| 32 | 11 | 26 | 10 | 21 | 43 | 56 | M10*1.25 | 13 |
| 40 | 12 | 30 | 12 | 24 | 50 | 65 | M12*1.25 | 13 |
| 50 | 15 | 38 | 16 | 33 | 64 | 83 | M16*1.5 | 15 |
| 63 | 15 | 38 | 16 | 33 | 64 | 83 | M16*1.5 | 15 |
| 80 | 18 | 46 | 20 | 40 | 77 | 100 | M20*1.5 | 15 |
| 100 | 18 | 46 | 20 | 40 | 77 | 100 | M20*1.5 | 15 |
| 125 | 37 | 70 | 30 | 51 | 110 | 145 | M27*2.0 | 15 |
| 160 | 43 | 80 | 35 | 56 | 125 | 165 | M36*2.0 | 16 |
| 200 | 43 | 80 | 35 | 56 | 125 | 165 | M36*2.0 | 16 |


